首页>> 产品中心>> MOSFET>> Trench MOS>>

Trench MOS
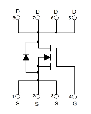
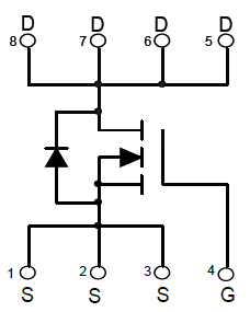
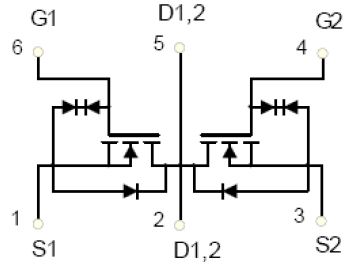
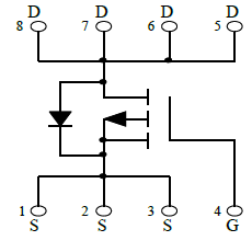
Part Number Download Circuit Status Type Process

ESD

Yes/No

VDS

V

VGS

V

ID

A

VGS(TH)

V

RDS(mΩ)@VGS

10V Typ

RDS(mΩ)@VGS

10V Max

RDS(mΩ)@VGS

4.5V Typ

RDS(mΩ)@VGS

4.5V Max

Package
Active
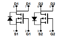
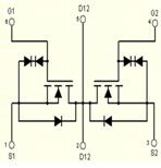
Dual-N
Dual-P
N/P-ch
Single-N
Single-P
Trench
No
Yes
±10
±12
±16
±20
±25
±30
±6
±7
±8
-0.35~-1.1
-0.3~-1.0
-0.45~
-0.45~-1.0
-0.45~-1.2
-0.4~-0.9
-0.4~-1.0
-0.4~-1.2
-0.4~-1.3
-0.55~-1.0
-0.5~-0.9
-0.5~-1.0
-0.5~-1.5
-0.6~-1.4
-0.6~-1.5
-0.7~-1.3
-0.9~-2.0
-1.0~-2.0
-1.0~-2.5
-1.0~-3.0
-1.0~2.5
-1.1~-2.2
-1.2~-2.2
-1.5~-2.5
-1.5~-3.5
-2.0~-4.0
0.35~1.1
0.35~1.4
0.35~2.5
0.3~1.1
0.45~1.0
0.45~1.1
0.45~1.2
0.4~1.0
0.4~1.1
0.4~1.2
0.4~1.4
0.5~0.9
0.5~1.0
0.5~1.1
0.5~1.2
0.5~1.3
0.5~1.5
0.5~2.0
0.65~1.2
0.6~1.0
0.6~1.2
0.6~1.4
0.6~1.5
0.7~1.4
0.7~1.5
0.7~3.0
0.8~1.5
0.8~3.0
0.9~1.5
1.0~2.0
1.0~2.2
1.0~2.5
1.0~3.0
1.2~2.5
1.2~2.8
1.2~3.0
1.3~2.3
1.3~2.5
1.5~2.5
2.0~4.0
CSPB1111-4
CSPB1313-4
CSPB1515-4
CSPB1717-4
CSPB1912-6
CSPB2213-6
CSPB2217-6
CSPC2019-10
CSPC2115-10
CSPC2623-10
CSPC2624-10
CSPC3015-10
CSPC3028-14
CSPC3030-14
CSPC3220-10
CSPC3421-10
DFN1006-3L
DFN1006-3L-A
DFNWB2x2-6L
DFNWB2x3-6L
DFNWB3x3-8L
DFNWB5x2-6L
PDFNWB3.3x3.3-8L
PDFNWB3.3x3.3-8L-B
PDFNWB5x6-8L
PDFNWB5x6-8L-A
SOP8
SOT-223
SOT-23
SOT-23-3L
SOT-23-6L
SOT-323
SOT-363
SOT-523
SOT-563
SOT-723
SOT-89-3L
TO-220-3L-C
TO-252-2L
TO-92
TSSOP8
WBFBP-03E
CJQ20N03B

Active
Single-N
Trench
No
30
±20
20
1.0~2.5
3.5
4.5
4.3
6.5
SOP8
CJAC70N03S

Active
Single-N
Trench
No
30
±20
70
1.0~2.5
4.8
6
6.5
9.5
PDFNWB5x6-8L
CJMN3010L

Active
Single-N
Trench
Yes
30
±10
10
0.45~1.0
-
-
8.3
14
DFNWB2x2-6L
CJ2204

Active
Single-P
Trench
No
-20
±12
-2.8
-0.4~-1.3
-
-
29
40
SOT-23
CJAC50P03S

Active
Single-P
Trench
No
-30
±20
-50
-1.0~-2.5
6.5
8.2
8.4
12
PDFNWB5x6-8L
CJAB65N03L

Active
Single-N
Trench
No
30
±20
65
1.0~2.5
2.5
3.2
3.6
5
PDFNWB3.3x3.3-8L
CJAC80N03L

Active
Single-N
Trench
No
30
±20
80
1.0~2.5
2.7
3.5
4
6
PDFNWB5x6-8L
CJBA3139KB

Active
Single-P
Trench
Yes
-20
±12
-0.66
-0.35~-1.1
-
-
165
520
DFN1006-3L
CJQ4406A

Active
Single-N
Trench
No
30
±20
10
1.0~3.0
8.3
10.8
10.8
15
SOP8
CJL8810A

Active
Dual-N
Trench
Yes
20
±12
7
0.4~1.0
12
15.5
12.8
16.6
SOT-23-6L
CJBA7002KL

Active
Single-N
Trench
Yes
60
±20
0.34
1.0~2.5
-
3500
-
4000
DFN1006-3L
CJAB2003A

Active
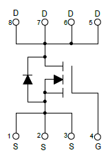
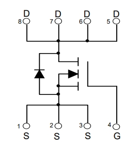
N/P-ch
Trench
Trench
No
No
30
-30
±20
±20
30
-20
1.0~2.5
-1.0~-2.5
8.5
28
11
36
10.7
35
16
52
PDFNWB3.3x3.3-8L-B
CJL6602A

Active
N/P-ch
Trench
Trench
No
No
30
-30
±12
±12
3.4
-2.3
1.0~3.0
-1.0~-3.0
30
61
39
79
43
91
56
118
SOT-23-6L
CJ4459A

Active
Single-P
Trench
No
-30
±20
-5
-1.0~-2.5
37
46
44
57
SOT-23
CJL2016

Active
Dual-N
Trench
No
20
±10
6
0.45~1.2
-
-
15.7
20
SOT-23-6L
CJL2019

Active
Dual-N
Trench
No
20
±10
5
0.45~1.2
-
-
19.5
27
SOT-23-6L
CJL8810

Active
Dual-N
Trench
Yes
20
±12
7
0.4~1.0
13.5
20
14.5
22
SOT-23-6L
CJL8820

Active
Dual-N
Trench
Yes
20
±12
7
0.5~1.1
15
21
17
24
SOT-23-6L
CJX3134K

Active
Dual-N
Trench
Yes
20
±12
0.75
0.35~1.1
-
-
270
380
SOT-563
CJS2016

Active
Dual-N
Trench
No
20
±10
6
0.45~1.2
-
-
15.7
20
TSSOP8